website page counter

Ccfl Inverter Schaltplan

Best image references website

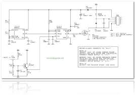
Ccfl Inverter Schaltplan. Great replacement for your burnt inverter of the ccfl angel eyes rings. Add power outlets and usb ports with converters rated between 100 and 3 500 watts of power or get powerbright s pure sine wave dc to ac converter that provides premium power that is identical to or even better than the power supplied by your electric company.

3000 Watt Power Inverter Inverter 12v 230v 3000 Watt Inverter Inverter 12v 220v Power Inverter 12v 220v 12 Power Inverters Solar Power Inverter Power
3000 Watt Power Inverter Inverter 12v 230v 3000 Watt Inverter Inverter 12v 220v Power Inverter 12v 220v 12 Power Inverters Solar Power Inverter Power from in.pinterest.com

With open wires for easy connection to any 12v dc source. 600 v and 5 ma 120 kω lamp resistance 2 2. Ccfls are used for back or edge lighting of liquid.

Autozone has dc to ac inverters for all your power conversion needs.

High brightness and low consumption fast light up in cold weather. The invertec v160 can be connected to a 230 single depending of the type of the power sources v160s phase input voltage. The invertec v160 series is an inverter based welding power sources that offers tig and stick process. The electrical properties of this ccfl are.

close