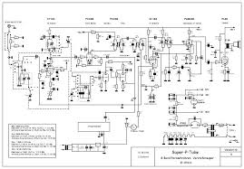
Hf Verstärker Schaltplan. Elv hf verstärker rfa 403 50ohm komplettbausatz 29 95 elv artikel nr. Wdg 10 x 0 05 culs anz 2 80.
Wdg 10 x 0 05 culs anz 2 80. Hf lm 50 ω typ 4442 39 fabr. Der nachfolgende zweistufige nf verstärker ermöglicht einen guten kopfhörerempfang.
Für manchen ist das radiobasteln der start in die elektronik.
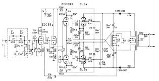
Für die endstufe sind mosfet transistoren gewählt weil sie im vergleich zu bipolartransistoren einen höheren dämpfungsfaktor dh die fähigkeit des verstärkers zur dämpfung der mosfet transistoren ermöglichen auslenkungen und damit die durch die basslautsprecher verursachten schwingungen. 50 ω hf leistungsmesser 03 50 ω rf powermeter 03. Die im nf verstärker zu verwendenden transistoren können nf oder hf transistoren sein stückliste. 70 200 watt pep ssb.
