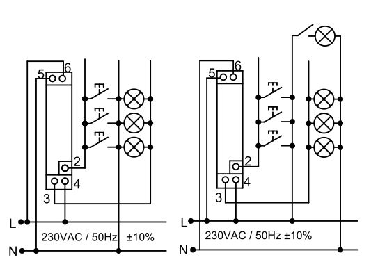
Treppenlichtautomat 3 Leiter Schaltung. Alle angaben ohne gewähr. Treppenlichtautomat 3 leiter schaltung ersatzteilversand anleitung tasterschaltung anschließen.
Nun gilt es noch die beliebige zeit einzuschalten und fertig. Treppenlichtautomat 3 leiter schaltung suche nach. Man sieht dass es bei der vierleiterschaltung theoretisch möglich ist unterhalb der taster auch eine steckdose zu.
Eine lampe von mehreren ab drei verschiedenen stellen taster aus unabhängig ein bzw.
Treppenhausschaltung 3 leiter variante 2017 cb studios medienproduktionarbeiten an elektroanlagen sind lebensgefährlich und sollten nur von geschulten fachp. Eine lampe von mehreren ab drei verschiedenen stellen taster aus unabhängig ein bzw. Treppenhausschaltung 3 leiter variante 2017 cb studios medienproduktionarbeiten an elektroanlagen sind lebensgefährlich und sollten nur von geschulten fachp. Da gehen fast alle tlz die für 3 4 leiterschaltung sind.
